БРС (муфта) G1/2(вр) Ду=7мм (Camozzi)

Код товара: 49622
Артикул: R5083 1/2
Наличие: В наличии
Цена (розница):
325.00
Оптовая цена: Отправить запрос
Корзина:
Товар в Корзине
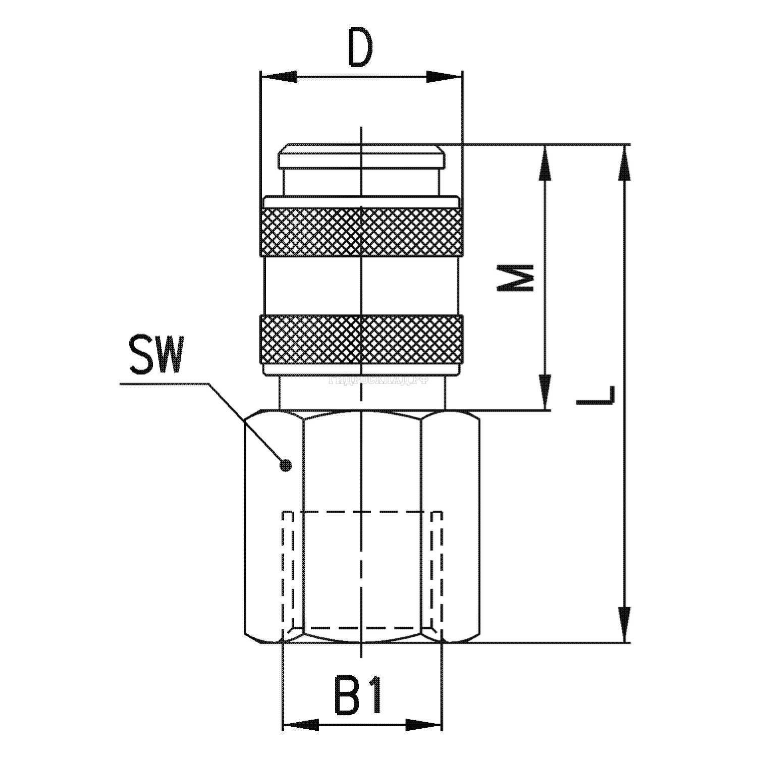
Параметры товара
параметр значение
CamМод. 5083 1/4
CamL 475
CamSW 17
CamD 25
CamO 5083 1/4
CamВес (г) 88
CamM 345
CamB1 G1/4
Группаавтоматические клапаны с самозапиранием
Конструкцияклапанного типа
Креплениерезьбовое соединение
Присоединениецилиндрическая трубная резьба по ISO 228 (BSP)
Материалыкорпус - никелир. латунь (⌀T58), в соединениях с цифрой “8” в коде - закал. оцинк. сталь, уплотнения - NBR , сфера - нерж. сталь
Присоединение1/8" GAS - 1/4" GAS - 3/8" GAS - 1/2" GAS - для пластиковых трубок и резиновых шлангов
Рабочая температура0°C – 80°C (с сухим воздухом -20°C)
Рабочее давление- 0,99 – 12 бар
Номинальное давление6 бар
Номинальный расходсм. график
Условный проход5 или 7 мм
Рабочее телосжатый воздух (при использовании других сред, обращайтесь к нашим инженерам)

Скачать ассортимент VITILLO в наличии



Обновление каталога: 13 февраля
Корзина
Корзина пуста