Главная страницаКаталог товаровПневматикаФитинг с накидной гайкой 90° P=10мм - G1/2 (Camozzi)

Фитинг с накидной гайкой 90° P=10мм - G1/2 (Camozzi)

Код товара: 49796
Артикул: R1500 10/8-1/2
Наличие: Нет в наличии

Вы можете связаться с нами по телефону и уточнить возможность заказа данного товара.
Параметры товара
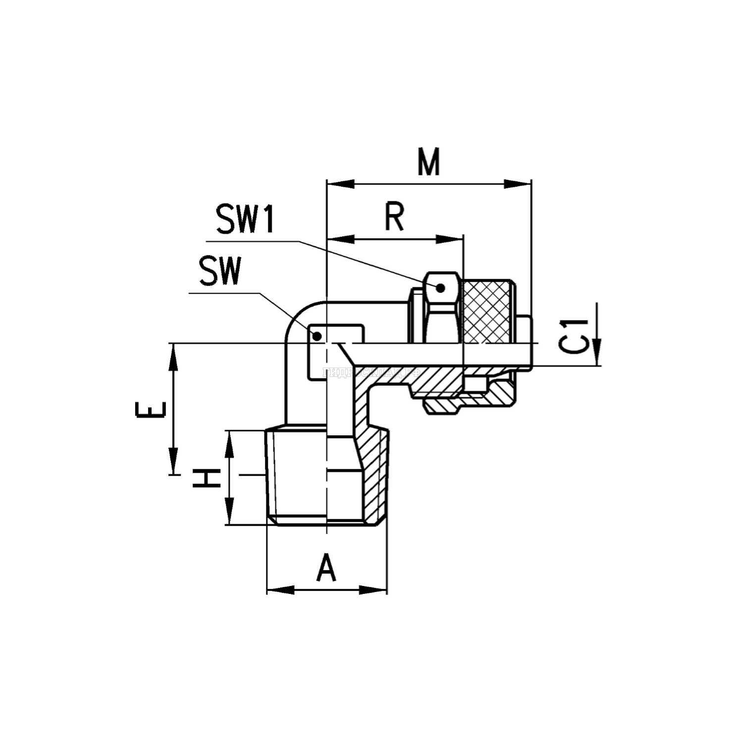
параметр значение
CamМод. 1500 10/8-1/2
CamA R1/2
CamH 14
CamSW 16
CamSW1 16
CamR 20
CamE 21
CamВес (г) 58
CamM 285
CamТрубка 10/8
CamC1 65
Материалыкорпус и гайка: никелированная латунь, уплотнение - NBR, резьбовое уплотнение: PTFE, нейлон
Присоединениеконическая ISO 7 (BSPT), цилиндрическая ISO 228 (BSP), M5 - M6, NPT и метрическая (по заказу)
Давлениемакс. 25 бар (в зависимости от трубки)
Трубки для присоединенияполиэстер, полиамид, полиэтилен, полиуретан, PTFE, поливинилхлорид в оплетке PVC
Диаметры трубок5/3, 6/4, 8/6, 10/8, 12/10, 15/12.5 мм
Рабочая средасжатый воздух и жидкости, совместимые с материалами фитингов и трубок
Температура-20°C – 80°C

Скачать ассортимент VITILLO в наличии



Обновление каталога: 26 февраля
Корзина
Корзина пуста