Главная страницаКаталог товаровАдаптеры и соединенияSAE J514Адаптер 90° JIC(ш) 1.1/16" - NPT(ш) 1/2" (Китай)

Адаптер 90° JIC(ш) 1.1/16" - NPT(ш) 1/2" (Китай)

Код товара: 49205
Артикул: P1JN9-12-08
Наличие: Нет в наличии

Вы можете связаться с нами по телефону и уточнить возможность заказа данного товара.
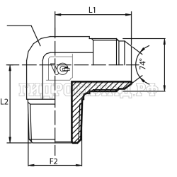
Параметры товара
параметр значение
Резьба 1 1.1/16"
PN 240
Резьба 2 1/2"
L1 40
L2 40
CH 27

Скачать ассортимент VITILLO в наличии



Обновление каталога: 11 марта
Корзина
Корзина пуста