Главная страницаКаталог товаровАдаптеры и соединенияSAE J514Адаптер 90° JIC(ш) 7/8" - NPT(ш) 3/8" (Китай)

Адаптер 90° JIC(ш) 7/8" - NPT(ш) 3/8" (Китай)

Код товара: 49201
Артикул: P1JN9-10-06
Наличие: Нет в наличии

Вы можете связаться с нами по телефону и уточнить возможность заказа данного товара.
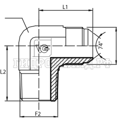
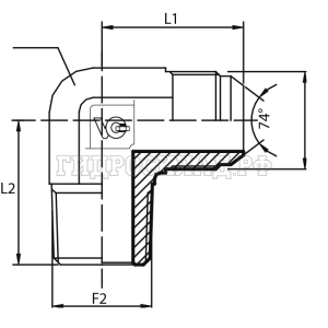
Параметры товара
параметр значение
Резьба 1 7/8"
PN 240
Резьба 2 3/8"
L1 37
L2 37
CH 22

Скачать ассортимент VITILLO в наличии



Обновление каталога: 11 марта
Корзина
Корзина пуста