Главная страницаКаталог товаровФитингиJICФитинг JIC (г) 1.5/16" DN=25 (90°) kompakt (Китай)

Фитинг JIC (г) 1.5/16" DN=25 (90°) kompakt (Китай)

Код товара: 48901
Артикул: 26791K-16-16
Наличие: Нет в наличии

Вы можете связаться с нами по телефону и уточнить возможность заказа данного товара.
Параметры товара
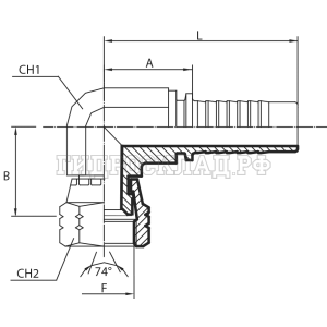
параметр значение
Номинальный диаметр, мм 25
Диаметр (дюйм) 1"
Size 16
Резьба 1 1.5/16"
L 87.5
A 32.5
PN 160
PSI 2320
B 41.5
CH2 41
fx1 12
CH 33
С этим товаром также покупают:

Скачать ассортимент VITILLO в наличии



Обновление каталога: 04 февраля
Корзина
Корзина пуста