Главная страницаКаталог товаровАдаптеры и соединенияORFS J1453Адаптер 90° ORFS(ш) 1" - UNF(ш) 3/4" o.r.+ контргайка (Китай)

Адаптер 90° ORFS(ш) 1" - UNF(ш) 3/4" o.r.+ контргайка (Китай)

Код товара: 49526
Артикул: P1FO9-10-08OG
Наличие: Нет в наличии

Вы можете связаться с нами по телефону и уточнить возможность заказа данного товара.
Параметры товара
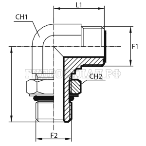
параметр значение
Резьба 1 1"
PN 420
Резьба 2 3/4"
CH1 27
CH2 22
L1 33.5
L2 46

Скачать ассортимент VITILLO в наличии



Обновление каталога: 13 февраля
Корзина
Корзина пуста