Главная страницаКаталог товаровАдаптеры и соединенияORFS J1453Адаптер 90° ORFS(ш) 9/16" - UNF(ш) 7/16" o.r.+ контргайка (Китай)

Адаптер 90° ORFS(ш) 9/16" - UNF(ш) 7/16" o.r.+ контргайка (Китай)

Код товара: 49515
Артикул: P1FO9-04OG
Наличие: Нет в наличии

Вы можете связаться с нами по телефону и уточнить возможность заказа данного товара.
Параметры товара
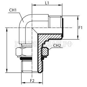
параметр значение
Резьба 1 9/16"
PN 420
Резьба 2 7/16"
CH1 14
CH2 14
L1 21.5
L2 32.5

Скачать ассортимент VITILLO в наличии



Обновление каталога: 13 февраля
Корзина
Корзина пуста