Главная страницаКаталог товаровАдаптеры и соединенияЗаглушка BSPP 1.1/4"(ш) SW=22 Form E (Китай)

Заглушка BSPP 1.1/4"(ш) SW=22 Form E (Китай)

Код товара: 47802
Артикул: P4BN-20WD
Наличие: Нет в наличии

Вы можете связаться с нами по телефону и уточнить возможность заказа данного товара.
Параметры товара
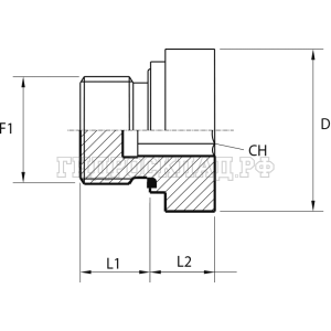
параметр значение
Резьба 1 1.1/4"
D 50
L1 16
L2 6.5
CH 22
kg100pz 20.1

Скачать ассортимент VITILLO в наличии



Обновление каталога: 31 октября
Корзина
Корзина пуста